岡本無線電機の通販サイト | E-JUNCTION(イージャンクション)

  • お見積り依頼
  • お問い合わせ

カテゴリーカテゴリーから探す

5,000円(税込5,500円)以上のご購入で送料無料!5,000円(税込5,500円)以上のご購入で送料無料!

マックエイト(MAC8) 表面実装用ネジ(リール品) 4SN

マックエイト(MAC8) 表面実装用ネジ(リール品) 4SN

E-Junction価格 : 28.60円(税込31.46 円)

メーカー:マックエイト(MAC8)

メーカー品番 :4SN

メーカーサイトへ

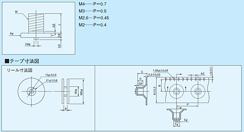
自動挿入機対応の表面実装用ネジです。
下のポッチは位置ずれを防ぐためにつけてあります。
1φのスルーホール穴をあけてください。
色々な物を取り付けることができます。
電気を流すこともできます。
エンボステープに収納されています。

・材質 黄銅
・処理 ニッケル下地スズメッキ
・定格電流 40A
・締付トルク 6kg・f・cm以下

●リール品
4SN-4-T 入数:600本
4SN-5-T 入数:500本
4SN-6-T,4SN-7-T 入数:400本
4SN-8-T,4SN-9-T 入数:300本


※写真はイメージです。
※在庫切れの場合は別途御相談させて頂きます。

末番:

数量

  • 単価 ¥

    28.60円(税込31.46 円)

5,000円(税込5,500円)以上の購入で送料無料です。
5,000円(税込5,500円)未満の場合、一律1,000円(税込1,100円)の送料をご負担頂きます。

(0 個) 小計: ¥0(税込:0)