岡本無線電機の通販サイト | E-JUNCTION(イージャンクション)

  • お見積り依頼
  • お問い合わせ

カテゴリーカテゴリーから探す

5,000円(税込5,500円)以上のご購入で送料無料!5,000円(税込5,500円)以上のご購入で送料無料!

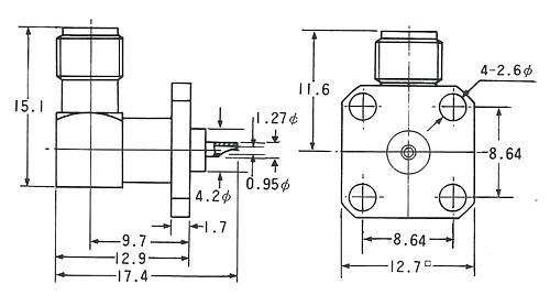
多治見無線電機 TMA(SMA)シリーズ L形レセプタクル TMA5401-10

多治見無線電機 TMA(SMA)シリーズ L形レセプタクル TMA5401-10

E-Junction価格 : 個別見積

標準納期:1.5ヶ月

最低注文数:1    注文単位数:1 (単位:個)

メーカー:多治見無線電機(T.M.W)

メーカー品番 :TMA5401-10

メーカーサイトへ

TMAシリーズは、MIL-C-39012に規定されたSMAコネクタに準拠いたします。コネクタ外部はステンレス鋼(一部、黄銅品もございます)作られており、堅牢で耐久性に優れております。表面処理は、金メッキとパッシベイト処理の2種類をご用意しております。周波数範囲、DC~18GHzと幅広い帯域になっており、移動体通信基地局、高周波用の電子計測機器、レーダー、放送機器などに幅広く使用されております。

【仕様】
●結合方式:ネジ
●特性インピーダンス(Ω):50
●定格電圧(V):350
●使用周波数範囲(DC~ GHz):12.4
●コネクタ形状:L形レセプタクル
●表面処理:金メッキ処理
※RoHS対応状況:製品ごとに異なりますのでメーカーホームページより御確認ください。
※納期は標準L/Tですので、実際の納期についてはお問い合わせください。
※写真はイメージです。

数量

5,000円(税込5,500円)以上の購入で送料無料です。
5,000円(税込5,500円)未満の場合、一律1,000円(税込1,100円)の送料をご負担頂きます。

(0 個) 小計: ¥0(税込:0)