岡本無線電機の通販サイト | E-JUNCTION(イージャンクション)

  • お見積り依頼
  • お問い合わせ

カテゴリーカテゴリーから探す

5,000円(税込5,500円)以上のご購入で送料無料!5,000円(税込5,500円)以上のご購入で送料無料!

IDEC SE2L形 底面取付金具 SE9Z-HS2-BK01

IDEC SE2L形 底面取付金具 SE9Z-HS2-BK01

E-Junction価格 : 12,870円(税込14,157 円)

  • 注目
  • RoHS10対応

標準納期:納期確認後見積り回答させて頂きます

最低注文数:1    注文単位数:1 (単位:個)

メーカー:IDEC(アイデック)

メーカー品番 :SE9Z-HS2-BK01

メーカーサイトへ

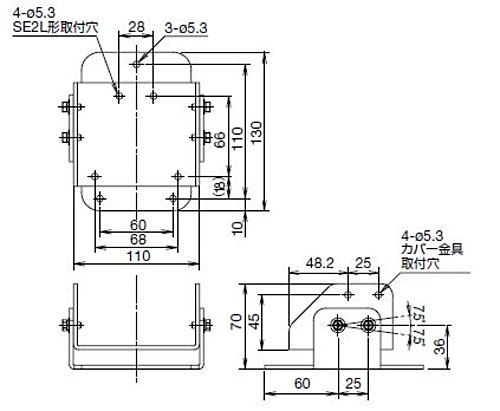
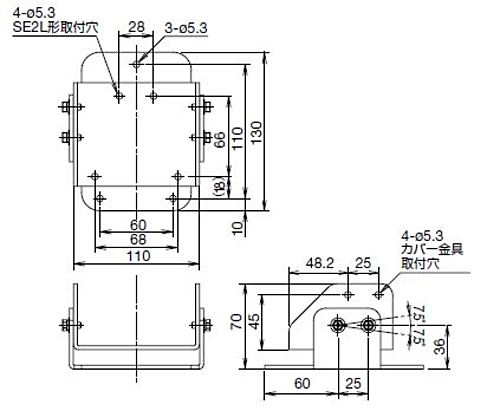
SE2L 形 セーフティレーザスキャナ用アクセサリ
本体の垂直方向の取付け角度を変更できます。
上下方向に合計15°(各7.5°ずつ)調整可能。
・材 質:鉄 
・付属品:ボルト(M5×12)4本

SE2L 形 セーフティレーザスキャナ本体機能
■存在検知
危険場所に取り残された人や、機械に接近する人の安全を確保します。
■侵入検知
ワークだけを通過させ、人の侵入を検知することが可能です。
■衝突防止
衝突による人的災害や急停止による荷崩れを防止します。
■ユーザビリティ
ユーザインターフェイスに配慮した設定や、保守メンテナンスを支援する多彩な機能を搭載しています。

※写真はイメージです。
※在庫切れの場合は別途御相談させて頂きます。

数量

  • 単価 ¥

    12,870円(税込14,157 円)

5,000円(税込5,500円)以上の購入で送料無料です。
5,000円(税込5,500円)未満の場合、一律1,000円(税込1,100円)の送料をご負担頂きます。

(0 個) 小計: ¥0(税込:0)

SE2L 形 セーフティレーザスキャナ特長

IDEC SE2L形 底面取付金具 SE9Z-HS2-BK01
画像を拡大する

防護距離5m
最大4倍のエリアを監視可能

・存在検知も侵入検知も同じセンサ
デュアルプロテクション機能でコストも半分!

・マスタースレーブ接続で4倍のエリア
RS-485で最大4台を接続可能。4倍のエリアを監視!

・協働ロボットに最適
デュアルプロテクション機能で低速領域も実現!

・大型のワークも通過
ミューティング機能&オーバーライド機能。

外形寸法図

IDEC SE2L形 底面取付金具 SE9Z-HS2-BK01
画像を拡大する