岡本無線電機の通販サイト | E-JUNCTION(イージャンクション)

  • お見積り依頼
  • お問い合わせ

カテゴリーカテゴリーから探す

5,000円(税込5,500円)以上のご購入で送料無料!5,000円(税込5,500円)以上のご購入で送料無料!

富士抵抗器 大電流用コイル型抵抗器 CLシリーズ CLB-5D □オームK

富士抵抗器 大電流用コイル型抵抗器 CLシリーズ CLB-5D □オームK

E-Junction価格 : 個別見積

    メーカー:富士抵抗器

    メーカー品番 :CLB-5D

    メーカーサイトへ

    大電流用抵抗器(CL型)
    ■特 長
    ・大電流抵抗値(WMR型より抵抗値の低い場合及び電流値の多い場合)に最適です。
    ・抵抗線、支持碍子等、発火する材料を用いておりませんので安心してご使用頂けます。
    ・抵抗線の使用量(重量)が多いので短時間定格及び断続使用に適しています。
    ・熱効率がよいので十分な風冷を行うことにより過負荷対応が可能です。
    ■シリーズ共通仕様
    1. 抵抗値範囲 0.033Ω~1.6Ω(呼称電力による)
    2. 抵抗値許容差 K級±10%
    3. 抵抗温度特性 +200?400ppm/℃ max
    4. 絶縁耐力(1分間) AC2000V
    5. 絶縁抵抗 50MΩ以上 (DC1000V メガー)
    6. 推奨使用温度 250℃ max

    ※仕様にない製品でもカスタマイズ対応のご相談を受け付けています。
    お気軽にお問合せください。
    (ログイン後、お問合せフォームよりお問合せください)

    抵抗値:

    数量

    5,000円(税込5,500円)以上の購入で送料無料です。
    5,000円(税込5,500円)未満の場合、一律1,000円(税込1,100円)の送料をご負担頂きます。

    (0 個) 小計: ¥0(税込:0)

    [品名の構成]

    富士抵抗器 大電流用コイル型抵抗器 CLシリーズ CLB-5D □オームK
    画像を拡大する

    [外形寸法]

    富士抵抗器 大電流用コイル型抵抗器 CLシリーズ CLB-5D □オームK
    画像を拡大する

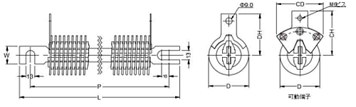
    [寸法図]

    富士抵抗器 大電流用コイル型抵抗器 CLシリーズ CLB-5D □オームK
    画像を拡大する